Lined Plug Valves
Manufacturer and Exporter of PTFE / FEP / PFA / PVDF Lined Plug Valves For Corrosive Application
ICON offers PTFE / FEP / PFA / PVDF lined Plug Valves. They are used for highly corrosive chemicals where higher alloy materials are costlier than lined ones, thus protecting the expensive equipment, extending the life of it and assuring superior performance.
The material selection for fluorocarbons lining of valves will depend on working conditions like chemical and mechanical characteristics of the fluid flowing inside the pipe, valves, temperature, etc.
Unique Features of Lined Plug Valves
- Lining offered PTFE / FEP / PFA / PVDF. The thickness of the lining is between 3.5 to 6 mm.
- The lining resins from renowned manufacturers like DuPont, Daikin, GFL.
- Virgin PTFE, FEP, PFA to withstand temperature from -20 C to +240C.
- Valve Control- Manual, Geared Operated & Automatically Actuated
- Material OF Construction- Cast Iron, Carbon Steel, Stainless Steel and As per requirement. ICON also supplies PTFE Lined Valves, Lined Pipe Fittings and accessories like PTFE Lined Instrument Tee, Lined Sparger, Flow Indicator and Lined Y Strainer to be used in conjunction with lined Pipe and Valves.It is used by the leading Chemical, Pharmaceutical, Bulk Drug manufacturers.
- Call Mr.Sanjay on +919819134484 for a quick reply!
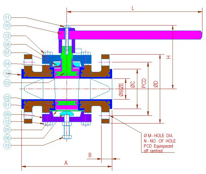
Description of Lined Plug Valve
| SR. NO. | DECRIPTION | METERIAL | QTY |
|---|---|---|---|
| 1 | BODY | SGIRON/WCB/CF8/CF8M x FEP/ PFA LINED | 1 |
| 2 | PLUG | WCB/SS x PFA/FEP | 1 |
| 3 | STEM | WCB/SS x PFA/FEP | 1 |
| 4 | SEAT RING | PTFE | 1 |
| 5 | GLAND PACKING | PTFE | 1 |
| 6 | GLAND WASHER | PTFE | 1 |
| 7 | WASHER | MS / SS | 1 |
| 8 | GLAND HOUSING | SPRING STEEL | 1 |
| 9 | BOTTOM HOUSING | CI | 1 |
| 10 | LEVER | MS / SS | — |
| 11 | LOCK BOLT | MS / SS | — |
| 12 | STUD & NUT | MS / SS | — |
| 13 | LINING | FEP/PFA LINING 3 TO 5 MM | — |
Dimensions of Lined Plug Valve
| CLASS – 150 | ||||||||
|---|---|---|---|---|---|---|---|---|
| A | B | ∅C | ∅D | ∅M | N | P.C.D. | H | L |
| 127 | 11.2 | 51 | 108 | 16 | 4 | 79.2 | 116 | 165 |
| 165 | 14.3 | 73 | 127 | 16 | 4 | 98.5 | 135 | 255 |
| 178 | 16 | 92 | 152 | 19 | 4 | 120.6 | 156 | 315 |
| 203 | 19 | 127 | 190.5 | 19 | 4 | 152.4 | 172 | 415 |
| 229 | 24 | 157 | 229 | 19 | 8 | 190.5 | 199 | 445 |
| 279 | 25 | 216 | 279 | 22 | 8 | 241.3 | 500 | |
Technical Data of Lined Plug Valve
TECHNICAL DATA
DESIGN & MANUFACTURING STD.
BS 5351 / ISO 17292
TESTING & INSPECTION STD.
API 598
FACE TO FACE :
AS PER ANSI B 16.10
END CONNECTIONS :
FLANGED AS PER ANSI B 16.5 150#.
STANDARD RESIN SPECIFICATION:
FEP : ASTM D 2116 / PFA : ASTM D 3307
| PRIMARY SERVICE RATING & TEST PRESSURE | ||||
|---|---|---|---|---|
| CLASS | WORKING | HYD. TEST PRESSURE | ||
| PRESSURE | BODY | SEAT | TEMP. | |
| 150 | 100 PSIG | 225 PSIG | 150 PSIG | 150/200°C |
| AIR TEST-SEAT 80 PSIG ±10 PSIG; SPARK TEST: 10 KVA | ||||

