Lined Reducing Flange
Manufacturer and Exporter of PTFE / FEP / PFA / PVDF Lined Reducing Flange For Corrosion Resistance Application
Reducing Flange is supplied with Isostatic, Paste extruded, or Ram extruded molding.
- ICON offers PTFE / FEP / PFA / PVDF Lined Reducing Flange. Reducing plates or flanges are compact reducers which can be sandwiched between any two fittings & easy reduction can be achieved in a compact space
- Reducing Flanges are used for highly corrosive chemicals where higher alloy materials are costlier than lined ones, thus protecting the expensive equipment, extending the life of it and assuring superior performance.
- It is used by the leading Chemical, Pharmaceutical, Bulk Drug manufacturers.
- ICON also supplies PTFE Lined Valves, Lined Pipe Fittings and accessories like PTFE Lined Instrument Tee, Lined Sparger, Flow Indicator and Lined Y Strainer to be used in conjunction with lined Pipe and Valves.
- Call Mr.Sanjay on +919819134484 for a quick reply!
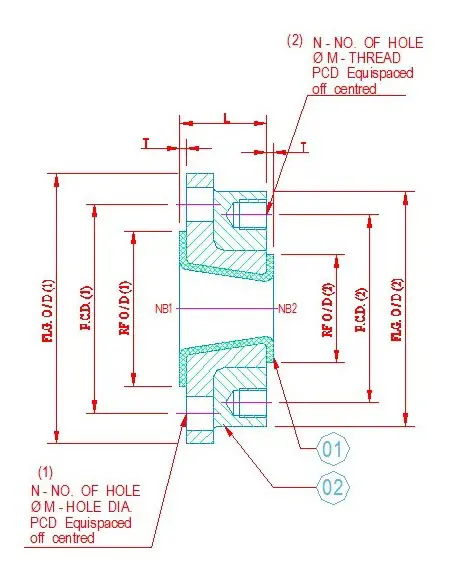
Description And Technical Data of Lined Reducing Flange
| SR. NO. | DECRIPTION | TECHINICAL DATA | QTY |
|---|---|---|---|
| 1 | REDUCING FLANGE | CS A 216 WCB / MS PLATE IS2062, ANSI B 16.5 ASA 150# | 1 |
| 2 | PTFE LINERS / LINING | Isostatic Molded with Std. Resin as per ASTM D 1457 White, PFA Lined to ASTM D 3307 / OR FEP Lined to ASTM D 2116 or Equivalent | 3 |
| 3 | TESTING & INSPECTION | Spark tested for 10 KV & Hydro tested at 10 kg/cm2 & painted with 2 coates of Red Oxide Primer | |
| 4 | PRESSURE RATING | Vacuume to 6 kg/cm2 | |
| 5 | TEMP. RATING | -29 °C TO 260° C |
Dimensions of Lined Reducing Flange
| CLASS – 150 # | |||||||||||||
| NB 1 | NB 2 | L | FLANGE | RF | PCD | FLANGE | RF | PCD | LINER THK | N x M – THREAD | WT./Kg | ||
|---|---|---|---|---|---|---|---|---|---|---|---|---|---|
| O / D | O / D | 1 | O/D | O/D | 2 | Vaccume | Non Vacc | 1 | 2 | piece | |||
| 1 | 1 | 2 | 2 | (T) | (T) | ||||||||
| 1 1/2″ | 1″ | 44 | 127 | 73 | 98.4 | 108 | 51 | 79.4 | 4.0 | 3.0 | 4 x 1/2″ | 4 X 1/2″ | 4.4 |
| 2″ | 1″ | 44 | 152 | 92 | 120.7 | 108 | 51 | 79.4 | 4.0 | 3.0 | 4 X 5/8″ | 4 X 1/2″ | 5.6 |
| 2″ | 1 1/2″ | 44 | 152 | 92 | 120.7 | 127 | 73 | 98.4 | 4.0 | 3.0 | 4 X 5/8″ | 4 X 1/2″ | 4.9 |
| 2 1/2″ | 1″ | 44 | 178 | 105 | 139.7 | 108 | 51 | 79.4 | 4.0 | 3.0 | 4 X 5/8″ | 4 X 1/2″ | 6.3 |
| 2 1/2″ | 1 1/2″ | 44 | 178 | 105 | 139.7 | 127 | 73 | 98.4 | 4.0 | 3.0 | 4 X 5/8″ | 4 X 1/2″ | 5.3 |
| 2 1/2″ | 2″ | 44 | 178 | 105 | 139.7 | 152 | 92 | 120.7 | 4.0 | 3.0 | 4 X 5/8″ | 4 X 5/8″ | 4.8 |
| 3″ | 1″ | 44 | 191 | 127 | 152.4 | 108 | 51 | 79.4 | 4.0 | 3.0 | 4 X 5/8″ | 4 X 1/2″ | 6.9 |
| 3″ | 1 1/2″ | 44 | 191 | 127 | 152.4 | 127 | 73 | 98.4 | 4.0 | 3.0 | 4 X 5/8″ | 4 X 1/2″ | 6.3 |
| 3″ | 2″ | 44 | 191 | 127 | 152.4 | 152 | 92 | 120.7 | 4.0 | 3.0 | 4 X 5/8″ | 4 X 5/8″ | 5.9 |
| 3″ | 2 1/2″ | 44 | 191 | 127 | 152.4 | 178 | 105 | 139.7 | 4.0 | 3.0 | 4 X 5/8″ | 4 X 5/8″ | 5.5 |
| 4″ | 1″ | 51 | 229 | 157 | 190.5 | 108 | 51 | 79.4 | 4.5 | 3.0 | 8 X 5/8″ | 4 X 1/2″ | 11.9 |
| 4″ | 1 1/2″ | 51 | 229 | 157 | 190.5 | 127 | 73 | 98.4 | 4.5 | 3.0 | 8 X 5/8″ | 4 X 1/2″ | 11.1 |
| 4″ | 2″ | 51 | 229 | 157 | 190.5 | 152 | 92 | 120.7 | 4.5 | 3.0 | 8 X 5/8″ | 4 X 5/8″ | 10.9 |
| 4″ | 2 1/2″ | 51 | 229 | 157 | 190.5 | 178 | 105 | 139.7 | 4.5 | 3.0 | 8 X 5/8″ | 4 X 5/8″ | 10.4 |
| 4″ | 3″ | 51 | 229 | 157 | 190.5 | 191 | 127 | 152.4 | 4.5 | 3.0 | 8 X 5/8″ | 4 X 5/8″ | 9.8 |
PTFE LINED REDUCING FLG. CLASS – 150#
| CLASS – 150 # | |||||||||||||
| NB 1 | NB 2 | L | FLANGE | RF | PCD | FLANGE | RF | PCD | LINER THK | N x M – THREAD | WT./Kg | ||
|---|---|---|---|---|---|---|---|---|---|---|---|---|---|
| O / D | O / D | 1 | O/D | O/D | 2 | Vaccume | Non Vacc | 1 | 2 | piece | |||
| 1 | 1 | 2 | 2 | (T) | (T) | ||||||||
| 6″ | 1″ | 51 | 279 | 215.9 | 241.3 | 108 | 51 | 79.4 | 6.0 | 5.0 | 8 x 3/4″ | 4 X 1/2″ | 19.5 |
| 6″ | 1 1/2″ | 51 | 279 | 215.9 | 241.3 | 127 | 73 | 98.4 | 6.0 | 5.0 | 8 x 3/4″ | 4 X 1/2″ | 18.0 |
| 6″ | 2″ | 51 | 279 | 215.9 | 241.3 | 152 | 92 | 120.7 | 6.0 | 5.0 | 8 x 3/4″ | 4 X 5/8″ | 17.3 |
| 6″ | 3″ | 51 | 279 | 215.9 | 241.3 | 191 | 127 | 152.4 | 6.0 | 5.0 | 8 x 3/4″ | 4 X 5/8″ | 16.0 |
| 6″ | 4″ | 51 | 279 | 215.9 | 241.3 | 229 | 157 | 190.5 | 6.0 | 5.0 | 8 x 3/4″ | 8 x 5/8″ | 15.0 |
| 8″ | 1″ | 51 | 343 | 269.7 | 298.5 | 108 | 51 | 79.4 | 6.0 | 5.0 | 8 x 3/4″ | 4 x 1/2″ | 24.2 |
| 8″ | 1 1/2″ | 51 | 343 | 269.7 | 298.5 | 127 | 73 | 98.4 | 6.0 | 5.0 | 8 x 3/4″ | 4 X 1/2″ | 23.0 |
| 8″ | 2″ | 51 | 343 | 269.7 | 298.5 | 152 | 92 | 120.7 | 6.0 | 5.0 | 8 x 3/4″ | 4 X 5/8″ | 26.0 |
| 8″ | 3″ | 51 | 343 | 269.7 | 298.5 | 191 | 127 | 152.4 | 6.0 | 5.0 | 8 x 3/4″ | 4 X 5/8″ | 24.9 |
| 8″ | 4″ | 51 | 343 | 269.7 | 298.5 | 229 | 157 | 190.5 | 6.0 | 5.0 | 8 x 3/4″ | 8 x 5/8″ | 23.0 |
| 8″ | 6″ | 51 | 343 | 269.7 | 298.5 | 279 | 215.9 | 241.3 | 6.0 | 3.0 | 8 x 3/4″ | 8 x 3/4 | 20.8/td> |
PTFE LINED REDUCING FLG. CLASS – 150#
| CLASS – 150 # | |||||||||||||
| NB 1 | NB 2 | L | FLANGE | RF | PCD | FLANGE | RF | PCD | LINER THK | N x M – THREAD | WT./Kg | ||
|---|---|---|---|---|---|---|---|---|---|---|---|---|---|
| O / D | O / D | 1 | O/D | O/D | 2 | Vaccume | Non Vacc | 1 | 2 | piece | |||
| 1 | 1 | 2 | 2 | (T) | (T) | ||||||||
| 10″ | 1″ | 51 | 406 | 323.9 | 361.9 | 108 | 51 | 79.4 | 6.0 | 5.0 | 8 x 3/4″ | 4 X 1/2″ | 30.4 |
| 10″ | 1 1/2″ | 51 | 406 | 323.9 | 361.9 | 127 | 73 | 98.4 | 6.0 | 5.0 | 8 x 3/4″ | 4 X 1/2″ | 29.0 |
| 10″ | 2″ | 51 | 406 | 323.9 | 361.9 | 152 | 92 | 120.7 | 6.0 | 5.0 | 8 x 3/4″ | 4 X 5/8″ | 27.4 |
| 10″ | 3″ | 51 | 406 | 323.9 | 361.9 | 191 | 127 | 152.4 | 6.0 | 5.0 | 8 x 3/4″ | 4 X 5/8″ | 35.0 |
| 10″ | 4″ | 51 | 406 | 323.9 | 361.9 | 229 | 157 | 190.5 | 6.0 | 5.0 | 8 x 3/4″ | 8 x 5/8″ | 34.0 |
| 10″ | 6″ | 51 | 406 | 323.9 | 361.9 | 279 | 215.9 | 214.3 | 7.5 | 5.0 | 8 x 3/4″ | 8 x 3/4″ | 30.0 |
| 10″ | 8″ | 51 | 406 | 323.9 | 361.9 | 343 | 269.7 | 298.5 | 7.5 | 5.0 | 8 x 3/4″ | 8 x 3/4″ | 28.0 |
| 12″ | 2″ | 51 | 483 | 381.0 | 431.8 | 152 | 92 | 120.7 | 6.0 | 5.0 | 12 x 7/8″ | 4 X 5/8″ | 34.6 |
| 12″ | 4″ | 51 | 483 | 381.0 | 431.8 | 229 | 157 | 190.5 | 6.0 | 5.0 | 12 x 7/8″ | 4 X 5/8″ | 55.0 |
| 12″ | 6″ | 51 | 483 | 381.0 | 431.8 | 279 | 215.9 | 241.3 | 7.5 | 5.0 | 12 x 7/8″ | 8 x 3/4″ | 50.0 |
| 12″ | 8″ | 51 | 483 | 381.0 | 431.8 | 343 | 269.7 | 298.5 | 7.5 | 5.0 | 12 x 7/8″ | 8 x 3/4″ | 45.0 |
| 12″ | 10″ | 51 | 483 | 381.0 | 431.8 | 406 | 323.9 | 361.9 | 7.5 | 5.0 | 12 x 7/8″ | 8 x 3/4″ | 40.0 |

